科研与工业产品
光通信产品
光源
光放大器
探测器
光栅
相机
光调制
测量设备
光纤|跳线
电子控制
光学无源器件
偏振控制|相位控制
射频|微波|太赫兹
原子气室|气体池|真空
磁场
压电陶瓷|精密位移台
时序控制|符合计数
非线性晶体
低温电子器件
物镜|扩束镜
色散补偿|色散模拟
半导体材料
配件
光学平台
光通信材料
光通信器件与模块
生产与测试设备
类别:
品牌:
特点:
产品负责人:
暂无附件下载
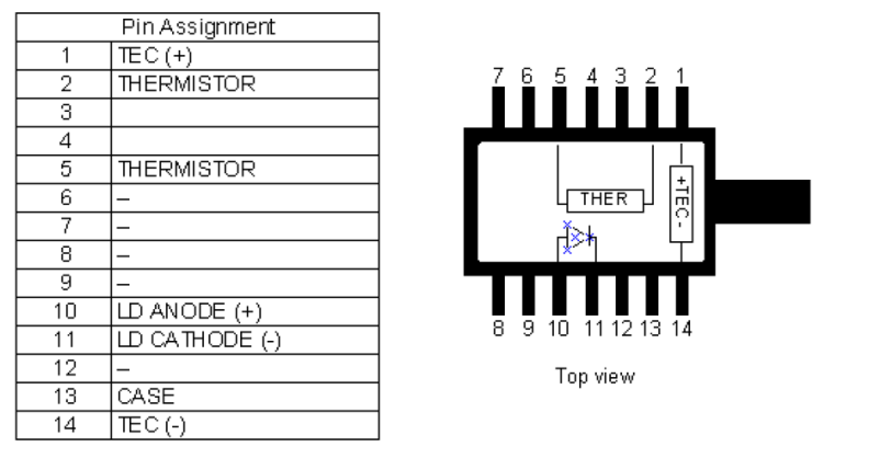
富泰克光电可提供3KHz—1MHz任意窄线宽激光器,使用国际标准的加工制造工艺,内置光纤光栅,具有非常稳定的激光波长、100KHz的谱线宽度和优良的SMSR性能,可承受高达622MHz的调制。
● 光纤水听器 ● 分布式光纤传感 ● 激光雷达 ● 谐振式光纤陀螺 ● 空间通信
暂无
如有意向购买产品或者相关技术咨询,请联系我们
姓名*
电话*
邮箱*
公司名称
请输入您感兴趣的产品或研究方向*