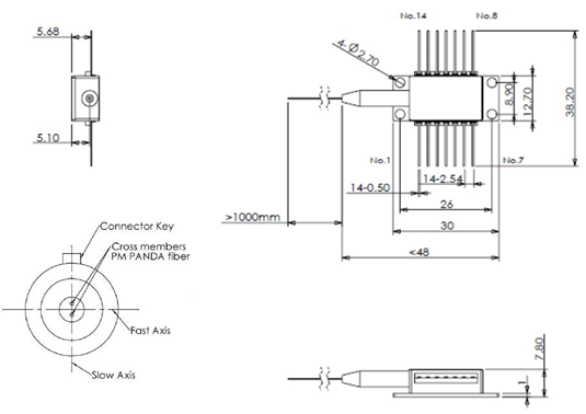
DFB 激光器,具有超低的RIN噪声和超窄的线宽等特性以及高输出光功率等优点,目前被广泛应用于车载激光雷达及光纤传感探测系统和高精度测量等应用,可根据客户的需求提供定制服务,并提供相应的技术支持。
✔线宽:200KHz -300KHz
✔光功率:80mW
✔RIN 噪声:-163dBc/Hz @100KHz
*λI:C Band ITU Standard 可选 ITU-CXX (XX= 24, 28, 32 ,36, 44)


暂无
如有意向购买产品或者相关技术咨询,请联系我们